用户中心
· 企业空间 首页 | 资讯 | 技术 | 产品 | 企业 | 直播 | 专题 | 智能制造 | 论坛| 在线研讨会
宝视纳
  • Basler racer 2系列r2L8192-240cm  
  • 发布时间:2025/11/14 16:09:37   修改时间:2025/11/14 16:11:19 浏览次数:584
  • Basler racer 2系列r2L8192-240cm
  •   Basler r2L8192-240cm CXP相机搭载GPixel GL7008 CMOS系列芯片,可在8k分辨率下提供240 kHz的扫描行频。




      功能特点

      符合标准:
      ●CE (incl. RoHS)
      ●CoaXPress 2.0
      ●FCC
      ●GenICam
      ●KC
      ●RoHS
      ●UKCA
      产品链接:Basler racer 2 r2L8192-240cm | 8k 线阵相机 | Basler AG

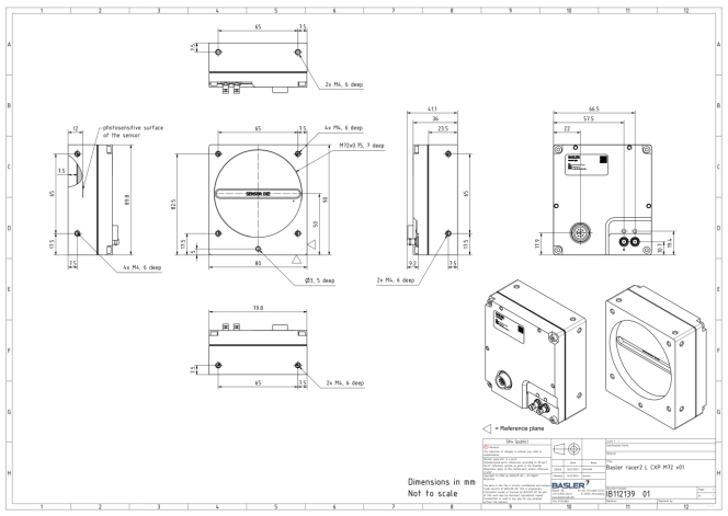
    技术图纸
  • 企业介绍
创始于德国:Basler是一家全球领先的高品质工业相机和机器视觉方案提供商,行业标准的制定者。深耕机器视觉领域36载,Basler始终与时代同行,不断蜕变革新。坚持从客户痛点出发,依托强大的技术创新及专业的服务能力,为客户提供精准高效的差异化…  更多>>
  • 产品分类
  • 该公司暂未设置产品类别
  • 联系方式

宝视纳

联系人:林彤

地址:北京市海淀区永泰庄北路26号物联智谷科技园A栋201室

邮编:100192

电话:010-62952828

传真:

公司网址:https://www.baslerweb.cn/zh-cn/

  • 该空间手机版

扫描此二维码即可访问该空间手机版

  • 在线反馈
1.我有以下需求:



2.详细的需求:
姓名:
单位:
电话:
邮件:
您还没有登录,请登陆,
如果您还没有注册,点击这里注册.
  • 网友反馈
更多请进入空间管理中心查看
关于我们 | 网站地图 | 联系我们
© 2003-2025    经营许可编号:京ICP证120335号
公安机关备案号:110102002318  服务热线:010-82053688
我要反馈