










名称:UB1211CH,
UB2204CH, UB2221CH, UB4334SCH独立式温湿度控制器
型号:UB1211CH,
UB2204CH, UB2221CH, UB4334SCH
UB系列控制器主要适用于HVAC系统的舒适性控制,用于空气处理机组的送风或回风温度,湿度等控制,内置多种固化应用程序模块可供选择。支持DIN轨,嵌入式面板安装方式。中和英文显示界面。
特征:
1.超大液晶,中文显示,时尚外观,AC24V工作电压
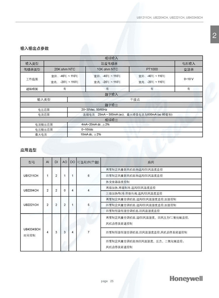
2.模拟输入支持NTC20K,NTC10K,PT1000的电阻温度传感器和0…10
VDC信号
3.模拟量输出 0…10 VDC, 2…10VDC或4…20mA 信号可选,
正反向可设置
4.可配置的正向或者反向数字量输出,PI参数可调节
5.一键控制冬/夏季模式转换可通过键盘配置所有数据,无需其它工具
支持DIN轨,嵌入式面板安装
6.时间程序控制(仅限型号UB4334SCH)
7.可供选择的型号为:UB1211CH,
UB2204CH, UB2221CH, UB4334SCH
8.三种可选输出:0…10VDC, 2…10VDC与4…20mA。
控制器本产品具有显示屏背景光功能,方便使用者在光线不足的环境中查看并操作。当显示屏背景光处于关闭状态,可按任意键打开背景光,此时不执行按键的其它功能。在显示屏背景光处于打开状态,15秒没有任何按键操作时,背光自动关闭。
根据使用者和设置内容的不同,本控制器的操作菜单分为:一般设置菜单,和高级配置菜单。一般设置菜单用于普通用户操作,可以对控制器进行一般的操作,例如改变设定点,切换运行模式,切换显示模式,时间程序设置等。
高级配置菜单用于安装调试工程师使用,可以配置控制器的各种参数。